Опори призначені для кріплення лотків на підлогу та на стіни.

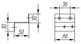
Опора ОП-00М
OP00M OP00M 1
   
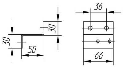
Опора ОП-01М
OP01M OP01M 1
   
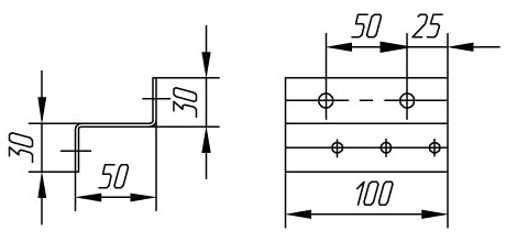
Опора ОП-02М
OP02M OP02M 1
   
Опора ОП-03М
OP03M OP03M 1
   

© 2026 ПрАТ "Калинівский машинобудівний завод"